Dynamiczny przetwornik momentu obrotowego z wyświetlaczem miernika skrętu i oprogramowaniem PC
Model: ZNJ-204
Dynamiczne czujniki momentu obrotowego, inaczej-bezkontaktowe obrotowe czujniki momentu obrotowego, to krytyczne elementy systemów kalibracji kluczy dynamometrycznych, zapewniające precyzyjny pomiar przyłożonego momentu obrotowego z kompensacją sił reakcji.
Trójkierunkowe-monitorowanie danych: ze zintegrowanym wyświetlaczem, miernikiem momentu obrotowego RS485 lub monitorowaniem za pomocą oprogramowania komputerowego
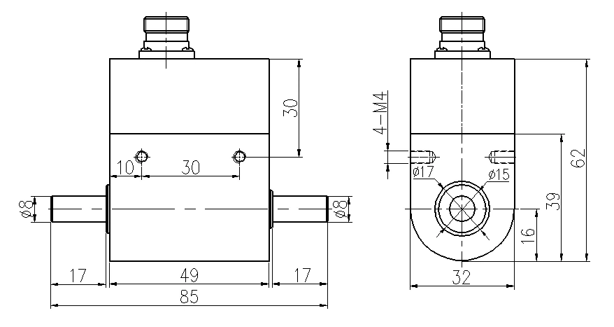
◆ Wymiary:

◆ Funkcje i zastosowania
Czujnik momentu reakcji do kalibracji klucza dynamometrycznego,wyjściowy sygnał częstotliwości 5~15 kHz lub sygnał prądowy 4~20 mA, odpowiedni do transmisji na duże-odległości.
Ta funkcja ma niewielkie rozmiary, jest łatwa w obsłudze i instalacji, a także zapewnia silny sygnał przeciwzakłóceniowy-.
Produkt nie jest-kontaktowy, nie ulega zużyciu, ma najwyższą prędkość 8000 obr./min i jest odpowiedni do stosowania w warunkach-długoterminowych-wysokiej prędkości obrotowej.
Jest to nowy produkt opracowany przez naszą firmę w oparciu o specjalną technologię mostka naprężeniowego, który nadaje się do wszelkiego rodzaju pomiarów momentu obrotowego przy małej objętości i dużej prędkości.
◆ Tparametr techniczny
| Parametr |
Dane techniczne |
|
Pojemność |
0-0,1,0,2,0,3,0,5,1-5,Nm |
| Wrażliwość |
1-1,5 mV/V |
| Zerowe wyjście |
±2% F.S. |
| Nieliniowość- |
±0.1,0.3% F.S. |
| Histereza |
Mniejsze lub równe ±0,05% pełnej skali |
| Powtarzalność |
Mniejsze lub równe ±0,05% pełnej skali |
| Skradać się |
Mniejsze lub równe ±0,03% FS/30min |
| Dryft wrażliwości temperaturowej |
0,03% FS / 10 stopni |
|
Dryf temperatury zerowej |
0,03% FS / 10 stopni |
|
Rezystancja wejściowa |
750±10Ω |
|
Rezystancja wejściowa |
700±5Ω |
|
Rezystancja izolacji |
Większe lub równe5000MΩ/100VDC |
|
Napięcie wzbudzenia |
10-15 V prądu stałego |
|
Zakres kompensacji temperatury |
-10 ~ 60stopień |
|
Zakres temperatur pracy |
-20 ~ 65stopień |
|
Bezpieczne przeciążenie |
150% F.S. |
|
Ostateczne przeciążenie |
200% F.S. |
|
Rozmiar kabla |
Ø5.2×3m |
| Podłączenie elektryczne |
Czerwony/E+, Czarny/E-, Zielony/S+, Biały/S- |
| Tworzywo | Stal nierdzewna lub stopowa |
Opcjonalne akcesoria
![]() |
Miernik momentu obrotowego, wskaźnik Akcesoria: narzędzia instalacyjne Tylko wyświetlanie wartości momentu obrotowego Kabel; Kabel czujnika momentu obrotowego Opcjonalnie: obsługa RS232 |
![]() |
Wskaźnik prędkości Akcesoria: narzędzia instalacyjne Tylko wyświetlanie wartości prędkości Kabel: Kabel czujnika momentu obrotowego Opcjonalnie: RS232. |
![]() |
Złącza Połączenie wału Aluminium o małej pojemności Stal stopowa dla średniej wydajności Stal nierdzewna zapewniająca dużą pojemność |
![]() |
Oprogramowanie komputerowe 1, obsługa wyświetlania danych, przechowywania, pobierania. 2, Możliwość wyświetlania danych dotyczących momentu obrotowego, prędkości i zużycia energii, jeśli podłączony do niego licznik obsługuje te funkcje. |
![]() |
Nadajniki: Do konwersji wyjścia mv/v na wyjście analogowe, np. 0-5 V/0-10 V/4-20 mA |

Popularne Tagi: dynamiczny przetwornik momentu obrotowego z wyświetlaczem miernika skrętu i oprogramowaniem komputerowym, Chiny, producenci, dostawcy, fabryki, wyprodukowane w Chinach





